GMTCUT Global machines tools cutting S.r.L.
©GMTCUT SRL ( Global machines tools cutting )
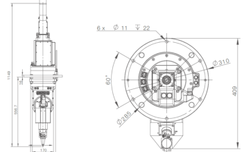
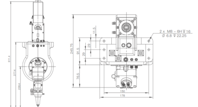
3D LASER CUTTING HEAD

Your machine tools center in ITALY / MIDDLE EAST

Whatsapp me Whatsapp me
Description
Made by GMTCUT
Description
Description
Home Home
About About
Products Products
  • CNC
    • MACHINE KEYBOARD (Ethercat)
    • IO ETHERCAT
  • DRIVES
    • Servo drive MAXSINE
  • MOTORS ( Brushless )
  • Optical scales
    • GVS200
    • GVS202S
    • GVS204
    • GVS206S
    • GVS300
  • IPC
Spare parts Spare parts
  • 2D Laser cutting head
  • 3D Laser cutting head
  • Plasma consumables
  • Waterjet Cutting head
  • MARBLE & GRANITE
    • Diamond Tools
  • MACHINE CENTER TOOLS
Service Service
MetalForming MetalForming
  • WATERJET
    • Direct drive pump
    • Waterjet 5 axes machines
  • PLASMA
  • LASER
MetalCutting MetalCutting
  • Milling Center
    • Gantry_drill
  • Turning center
Contacts Contacts